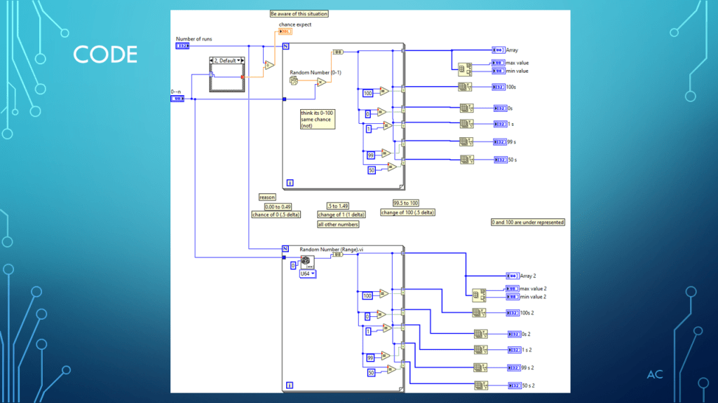
Two tools are used to create random number (0-100) but only one is what I wanted.
Notes
•Presentation to show two different random tools using LabVIEW®
•Programming Language used: LabVIEW® 2019 Base version
•LabVIEW is a NI (National Instruments) product
•Presentation app: Microsoft’s PowerPoint
•Image app used Microsoft’s “Paint” and Microsoft’s “Paint 3D”
•Presentation shown to spark ideas of use.
•This presentation is not connected to or endorsed by any company.
•Use at your own risk.
•Tags: LabVIEW®, Random, Randomize
•There are many ways to do things for the desired outcome.





