
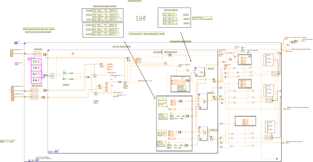
A Neural Network for XOR
Input Layer-Hidden Layer – Output Layer
Using non matrix to show math better (future will use matrix)


Also tested to see XNOR training set














Paint used in this presentation is a Microsoft product
LabVIEW® is a National Instruments product
This post is not connected or endorsed by any company.
All company names are trademark of respective company.
Created to spark ideas on the subject.
Use at your own risk.